Model : B Type
Typical application : Vacuum cleaners, hand-dryers, stage snow machines, etc
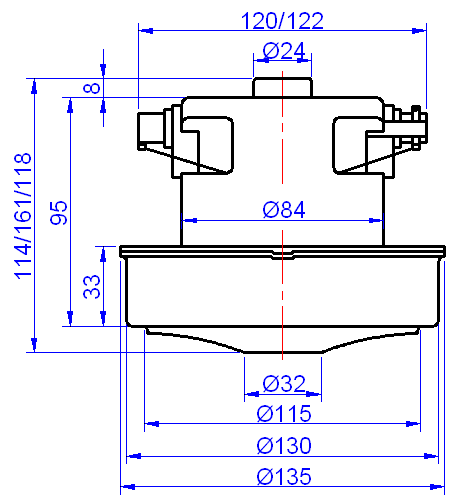
Outline Drawing : All dimensions are in the unit of millimeter (mm).
Basic Performances :
| Items | Unit | Rated Values | ||||||
| Power (in) | (W) | 400 | 600 | 800 | 1000 | 1200 | 1400 | 1600 |
| Vacuum | (kPa) | 14 | 16 | 18 | 20 | 22 | 24 | 26 |
| Air Flow | (m3/min.) | 1.6 | 1.9 | 2.3 | 2.6 | 2.9 | 3.2 | 3.5 |
| Efficiency | (%) | 34 | 36 | |||||
Remarks:
1) The voltage can be 100V ~ 240V or any others as needed; the frequency can be either 50Hz, or 60Hz or 50/60Hz. 2) The thermal insulation system can be any from Class A to Class F.
3) The max. noise is 98dB(A), and the min. lifetime is 500 hours.
4) The speed is more than 30,000rpm or as needed.
Model : B Type
Typical application : Vacuum cleaners, hand-dryers, stage snow machines, etc
Outline Drawing : All dimensions are in the unit of millimeter (mm).
Basic Performances :
| Items | Unit | Rated Values | ||||||
| Power (in) | (W) | 400 | 600 | 800 | 1000 | 1200 | 1400 | 1600 |
| Vacuum | (kPa) | 14 | 16 | 18 | 20 | 22 | 24 | 26 |
| Air Flow | (m3/min.) | 1.6 | 1.9 | 2.3 | 2.6 | 2.9 | 3.2 | 3.5 |
| Efficiency | (%) | 34 | 36 | |||||
Remarks:
1) The voltage can be 100V ~ 240V or any others as needed; the frequency can be either 50Hz, or 60Hz or 50/60Hz. 2) The thermal insulation system can be any from Class A to Class F.
3) The max. noise is 98dB(A), and the min. lifetime is 500 hours.
4) The speed is more than 30,000rpm or as needed.