Model : B Type
Typical application : Vacuum cleaners, hand-dryers, stage snow machines, etc
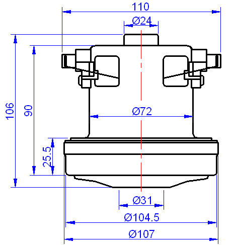
Outline Drawing : All dimensions are in the unit of millimeter (mm).
Basic Performances :
| Items | Unit | Rated Values | ||||
| Power (in) | (W) | 400 | 600 | 800 | 1000 | 1200 |
| Vacuum | (kPa) | 13 | 15.5 | 18 | 20 | 22 |
| Air Flow | (m3/min.) | 1.3 | 1.6 | 1.9 | 2.2 | 2.5 |
| Efficiency | (%) | 28 | 34 | |||
Remarks:
1) The voltage can be 100V ~ 240V or any others as needed; the frequency can be either 50Hz, or 60Hz or 50/60Hz. 2) The thermal insulation system can be any from Class A to Class F.
3) The max. noise is 98dB(A), and the min. lifetime is 500 hours.
4) The speed is more than 30,000rpm or as needed.
Model : B Type
Typical application : Vacuum cleaners, hand-dryers, stage snow machines, etc
Outline Drawing : All dimensions are in the unit of millimeter (mm).
Basic Performances :
| Items | Unit | Rated Values | ||||
| Power (in) | (W) | 400 | 600 | 800 | 1000 | 1200 |
| Vacuum | (kPa) | 13 | 15.5 | 18 | 20 | 22 |
| Air Flow | (m3/min.) | 1.3 | 1.6 | 1.9 | 2.2 | 2.5 |
| Efficiency | (%) | 28 | 34 | |||
Remarks:
1) The voltage can be 100V ~ 240V or any others as needed; the frequency can be either 50Hz, or 60Hz or 50/60Hz. 2) The thermal insulation system can be any from Class A to Class F.
3) The max. noise is 98dB(A), and the min. lifetime is 500 hours.
4) The speed is more than 30,000rpm or as needed.