List of Motor Caracteristics
| Modle of Motor & Gearbox | Output Power | Rated Voltage | Rated Freq'y | No.of Poles | Duty Cycle | Rated Load | Starting Torque | Capacitor/Voltage | |||||
| Motor Only | Motor with gear shaft | W | V | Hz | P | Speed | Current | Torque | N.m | kgf.cm | ΠF/VAC | ||
| r/min | A | N.m | kgf.cm | ||||||||||
| 6RK140A-AM | 6RK140GU-AM | 140 | 1Ph 110 | 50 | 4 | 30Min | 1350 | 2.00 | 0.99 | 9.95 | 0.90 | 9.00 | 30.0/250 |
| 6RK140A-CM | 6RK140GU-CM | 140 | 1Ph 220 | 50 | 4 | 30Min | 1350 | 1.13 | 0.99 | 9.95 | 0.90 | 9.00 | 10.0/450 |
| 6RK140A-SM | 6RK140GU-SM | 140 | 3Ph 220 | 50 | 4 | 30Min | 1350 | 0.95 | 0.99 | 9.95 | 3.50 | 35.0 | / |
| 6RK140A-SM | 6RK140GU-SM | 140 | 3Ph 380 | 50 | 4 | 30Min | 1350 | 0.55 | 0.99 | 9.95 | 3.50 | 35.0 | / |
If the voltage is different,the capacitor's capacity will also be different.A suitable capacitor is required to match the applied voltage.wrong of the motor or components the main reason to cause problem.So before order,Please specify the correct voltage &select the suitable model (s)
Overall Dimension of Gearbox
| Gear Ratio | Length L(mm) | G.W.(Kg) | |
| Gearbox | 1:3~1:9 | 72 | 1.87 |
| 1:10~1:18 | 2.10 | ||
| 1:20~1:200 | 2.75 | ||
| Motor | 5.20 | ||
Allowable Torque on Gearbox
Model of Geabox:2GN K
| Frequency | Reduction Ratio | 3 | 3.6 | 5 | 6 | 7.5 | 9 | 10 | 12.5 | 15 | 18 | 20 | 25 | 30 | 36 | 40 | 50 | 60 | |
| 50Hz | Output Shaft Speed | r/min | 500 | 417 | 300 | 250 | 200 | 166 | 150 | 120 | 100 | 83 | 75 | 60 | 50 | 41 | 37 | 30 | 25 |
| Permitted Torque | N.m | 2.36 | 2.3 | 2.93 | 4.71 | 5.89 | 7.07 | 7.07 | 8.85 | 10.6 | 12.7 | 12.7 | 16.0 | 19.2 | 23.0 | 25.6 | 32.0 | 38.4 | |
| kgf.cm | 24.1 | 25.6 | 40.1 | 48.1 | 60.1 | 72.1 | 72.1 | 90.3 | 108 | 130 | 130 | 163 | 196 | 235 | 261 | 327 | 297 | ||
| 39.2 | Oputput Shaft Speed | r/min | 600 | 500 | 360 | 300 | 240 | 200 | 180 | 144 | 120 | 100 | 90 | 72 | 60 | 50 | 45 | 36 | 30 |
| Allowable Torque | N.m | 2.03 | 2.44 | 3.39 | 4.06 | 5.08 | 6.09 | 6.09 | 7.60 | 9.15 | 11.0 | 11.0 | 13.8 | 16.6 | 19.9 | 22.1 | 27.6 | 33.1 | |
| kgf.cm | 20.7 | 24.9 | 34.6 | 41.2 | 51.8 | 62.1 | 62.1 | 77.6 | 93.4 | 112 | 112 | 141 | 169 | 203 | 226 | 282 | 338 |
| Frequency | Reduction Ratio | 75 | 90 | 100 | 120 | 150 | 180 | 200 | |
| 50Hz | Output Shaft Speed | r/min | 20 | 16 | 15 | 12 | 10 | 8 | 7.5 |
| Allowable Torque | N.m | 39.2 | 39.2 | 39.2 | 39.2 | 39.2 | 39.2 | 39.2 | |
| kgf.cm | 400 | 400 | 400 | 400 | 400 | 400 | 400 | ||
| 60Hz | Oputput Shaft Speed | r/min | 24 | 20 | 18 | 15 | 12 | 10 | 9 |
| Allowable Torque | N.m | 39.2 | 39.2 | 39.2 | 39.2 | 39.2 | 39.2 | 39.2 | |
| kgf.cm | 400 | 400 | 400 | 400 | 400 | 400 | 400 |
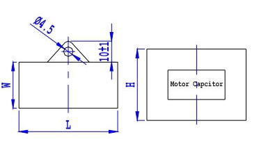
Capacitor / Wiring Diagram
Capacity(∏F) Tolerance: ±0.5% | Voltage | L±1 | W±1 | H±1 | Type |
| V | mm | mm | mm | ||
| 10.0 | 450 | 47 | 26 | 38 | With Lead wire |
| 30.0 | 250 | 68 | 32 | 56 |
List of Motor Caracteristics
| Modle of Motor & Gearbox | Output Power | Rated Voltage | Rated Freq'y | No.of Poles | Duty Cycle | Rated Load | Starting Torque | Capacitor/Voltage | |||||
| Motor Only | Motor with gear shaft | W | V | Hz | P | Speed | Current | Torque | N.m | kgf.cm | ΠF/VAC | ||
| r/min | A | N.m | kgf.cm | ||||||||||
| 6RK140A-AM | 6RK140GU-AM | 140 | 1Ph 110 | 50 | 4 | 30Min | 1350 | 2.00 | 0.99 | 9.95 | 0.90 | 9.00 | 30.0/250 |
| 6RK140A-CM | 6RK140GU-CM | 140 | 1Ph 220 | 50 | 4 | 30Min | 1350 | 1.13 | 0.99 | 9.95 | 0.90 | 9.00 | 10.0/450 |
| 6RK140A-SM | 6RK140GU-SM | 140 | 3Ph 220 | 50 | 4 | 30Min | 1350 | 0.95 | 0.99 | 9.95 | 3.50 | 35.0 | / |
| 6RK140A-SM | 6RK140GU-SM | 140 | 3Ph 380 | 50 | 4 | 30Min | 1350 | 0.55 | 0.99 | 9.95 | 3.50 | 35.0 | / |
If the voltage is different,the capacitor's capacity will also be different.A suitable capacitor is required to match the applied voltage.wrong of the motor or components the main reason to cause problem.So before order,Please specify the correct voltage &select the suitable model (s)
Overall Dimension of Gearbox
| Gear Ratio | Length L(mm) | G.W.(Kg) | |
| Gearbox | 1:3~1:9 | 72 | 1.87 |
| 1:10~1:18 | 2.10 | ||
| 1:20~1:200 | 2.75 | ||
| Motor | 5.20 | ||
Allowable Torque on Gearbox
Model of Geabox:2GN K
| Frequency | Reduction Ratio | 3 | 3.6 | 5 | 6 | 7.5 | 9 | 10 | 12.5 | 15 | 18 | 20 | 25 | 30 | 36 | 40 | 50 | 60 | |
| 50Hz | Output Shaft Speed | r/min | 500 | 417 | 300 | 250 | 200 | 166 | 150 | 120 | 100 | 83 | 75 | 60 | 50 | 41 | 37 | 30 | 25 |
| Permitted Torque | N.m | 2.36 | 2.3 | 2.93 | 4.71 | 5.89 | 7.07 | 7.07 | 8.85 | 10.6 | 12.7 | 12.7 | 16.0 | 19.2 | 23.0 | 25.6 | 32.0 | 38.4 | |
| kgf.cm | 24.1 | 25.6 | 40.1 | 48.1 | 60.1 | 72.1 | 72.1 | 90.3 | 108 | 130 | 130 | 163 | 196 | 235 | 261 | 327 | 297 | ||
| 39.2 | Oputput Shaft Speed | r/min | 600 | 500 | 360 | 300 | 240 | 200 | 180 | 144 | 120 | 100 | 90 | 72 | 60 | 50 | 45 | 36 | 30 |
| Allowable Torque | N.m | 2.03 | 2.44 | 3.39 | 4.06 | 5.08 | 6.09 | 6.09 | 7.60 | 9.15 | 11.0 | 11.0 | 13.8 | 16.6 | 19.9 | 22.1 | 27.6 | 33.1 | |
| kgf.cm | 20.7 | 24.9 | 34.6 | 41.2 | 51.8 | 62.1 | 62.1 | 77.6 | 93.4 | 112 | 112 | 141 | 169 | 203 | 226 | 282 | 338 |
| Frequency | Reduction Ratio | 75 | 90 | 100 | 120 | 150 | 180 | 200 | |
| 50Hz | Output Shaft Speed | r/min | 20 | 16 | 15 | 12 | 10 | 8 | 7.5 |
| Allowable Torque | N.m | 39.2 | 39.2 | 39.2 | 39.2 | 39.2 | 39.2 | 39.2 | |
| kgf.cm | 400 | 400 | 400 | 400 | 400 | 400 | 400 | ||
| 60Hz | Oputput Shaft Speed | r/min | 24 | 20 | 18 | 15 | 12 | 10 | 9 |
| Allowable Torque | N.m | 39.2 | 39.2 | 39.2 | 39.2 | 39.2 | 39.2 | 39.2 | |
| kgf.cm | 400 | 400 | 400 | 400 | 400 | 400 | 400 |
Capacitor / Wiring Diagram
Capacity(∏F) Tolerance: ±0.5% | Voltage | L±1 | W±1 | H±1 | Type |
| V | mm | mm | mm | ||
| 10.0 | 450 | 47 | 26 | 38 | With Lead wire |
| 30.0 | 250 | 68 | 32 | 56 |